welcome to the power supply and device library! Global Spot, Quality Assurance, Flash Shipping
Quick response power supply, device, and material supply platform
Welcome to the power supply and device library! Global Supply and Quality Assurance
Home
Category
Brand
Product
About Us
History
AP12N24-Zero
series:
e9kfi6wkqe93h4eltism
describe:
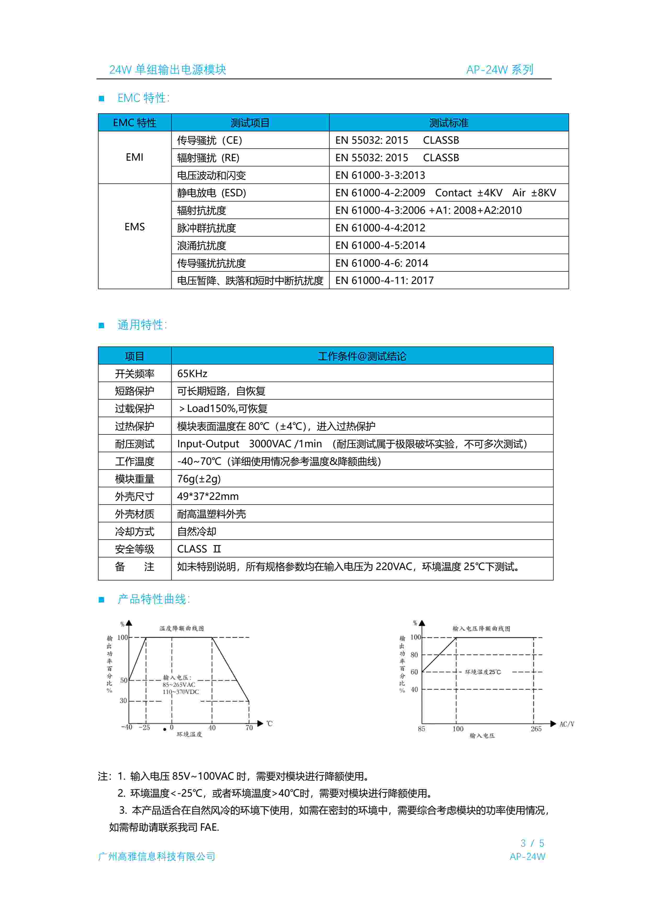
24W 单组输出电源模块
For consultation and purchase, please contact customer service
Inquire Now
Related
AP12N24-Zero
AP05N15-Zero
AP06N15-Zero
AP09N24-Zero
AP15N24-Zero
AP20N24-Zero
AP24N24-Zero
display all
DataSheet