welcome to the power supply and device library! Global Spot, Quality Assurance, Flash Shipping
Quick response power supply, device, and material supply platform
Welcome to the power supply and device library! Global Supply and Quality Assurance
Home
Category
Brand
Product
About Us
History
AP09N12-Zero
series:
uto0j0qltiv3twh8rtay
describe:
12W 单组输出电源模块
For consultation and purchase, please contact customer service
Inquire Now
Related
AP06N10-Zero
AP09N12-Zero
AP12N12-Zero
AP15N12-Zero
AP20N12-Zero
AP24N12-Zero
AP05N10-Zero
display all
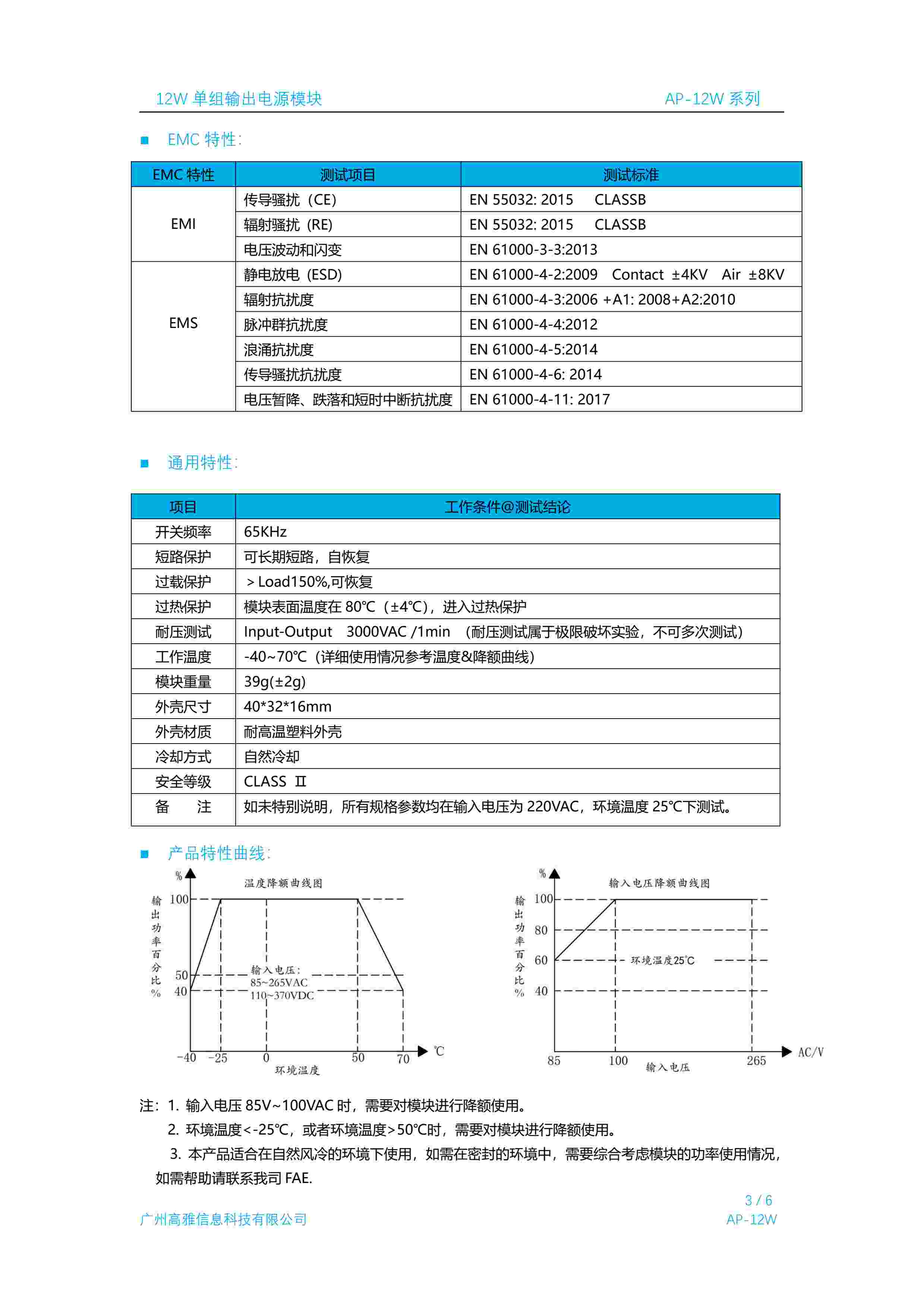
DataSheet