welcome to the power supply and device library! Global Spot, Quality Assurance, Flash Shipping
Quick response power supply, device, and material supply platform
Welcome to the power supply and device library! Global Supply and Quality Assurance
Home
Category
Brand
Product
About Us
History
SCM1201A
brand:
MORNSUN
series:
SCM1201A
describe:
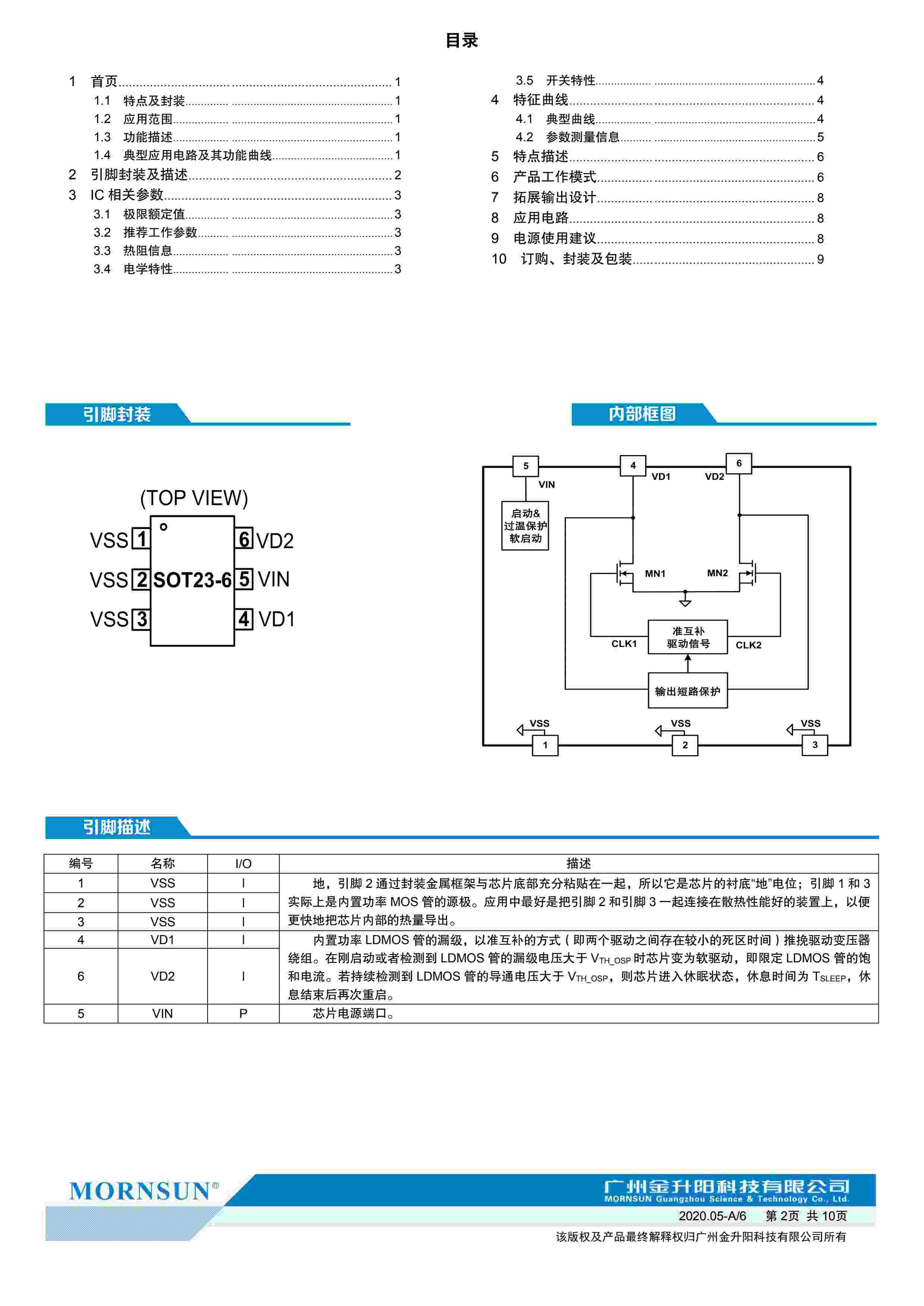
SCM1201A 定压推挽控制芯片
For consultation and purchase, please contact customer service
18902851717
18902851717
1034888950
1034888950@qq.com
Inquire Now
Related
SCM1201A
display all
DataSheet