welcome to the power supply and device library! Global Spot, Quality Assurance, Flash Shipping
Quick response power supply, device, and material supply platform
Welcome to the power supply and device library! Global Supply and Quality Assurance
Home
Category
Brand
Product
About Us
History
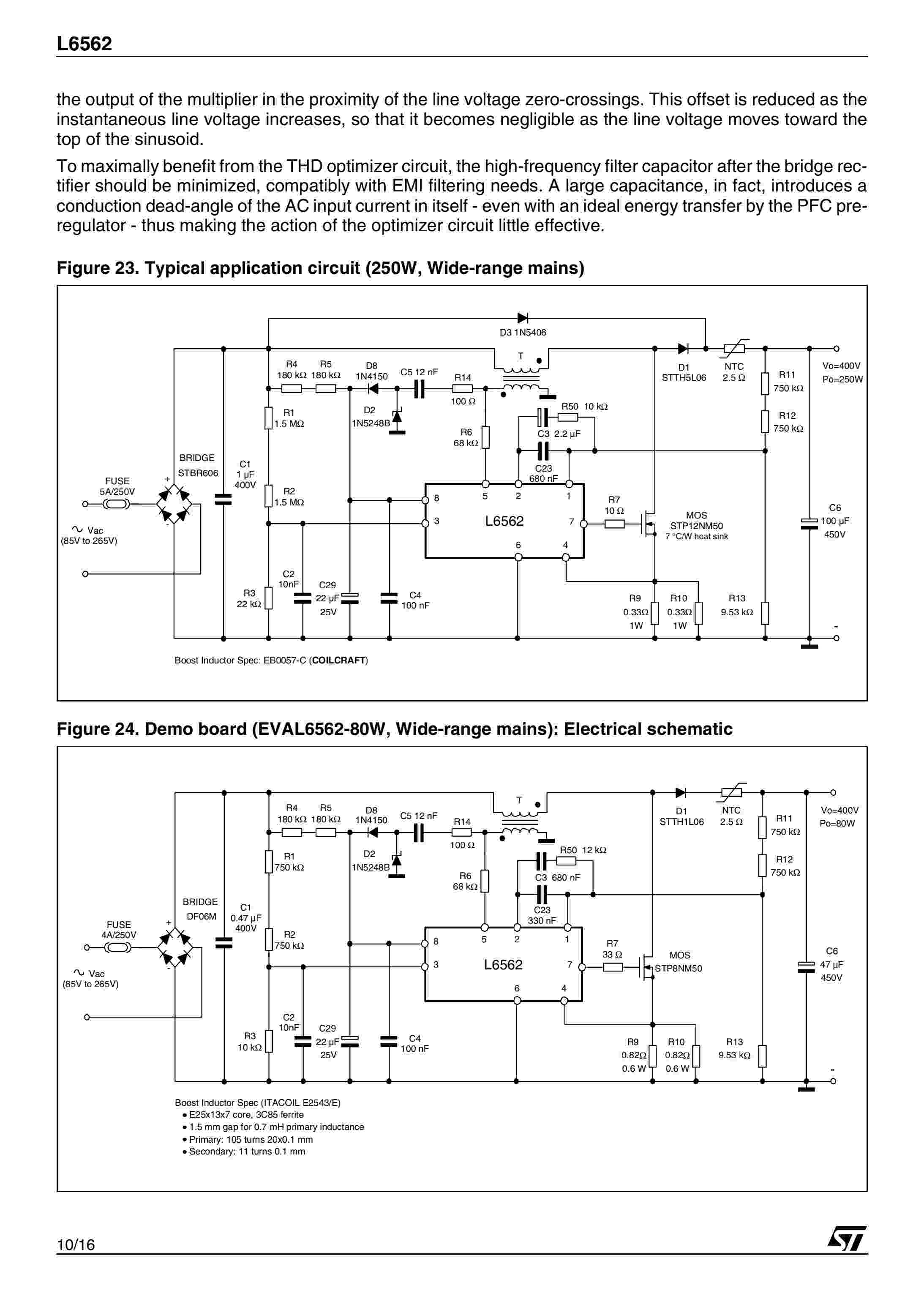
L6562N
brand:
ST
series:
l6562
describe:
TRANSITION-MODE PFC CONTROLLER
For consultation and purchase, please contact customer service
18902851717
18902851717
1034888950
1034888950@qq.com
Inquire Now
Related
L6562N
L6562D
L6562DTR
display all
DataSheet