welcome to the power supply and device library! Global Spot, Quality Assurance, Flash Shipping
Quick response power supply, device, and material supply platform
Welcome to the power supply and device library! Global Supply and Quality Assurance
Home
Category
Brand
Product
About Us
History
L6561D013TR
brand:
ST
series:
l6561
describe:
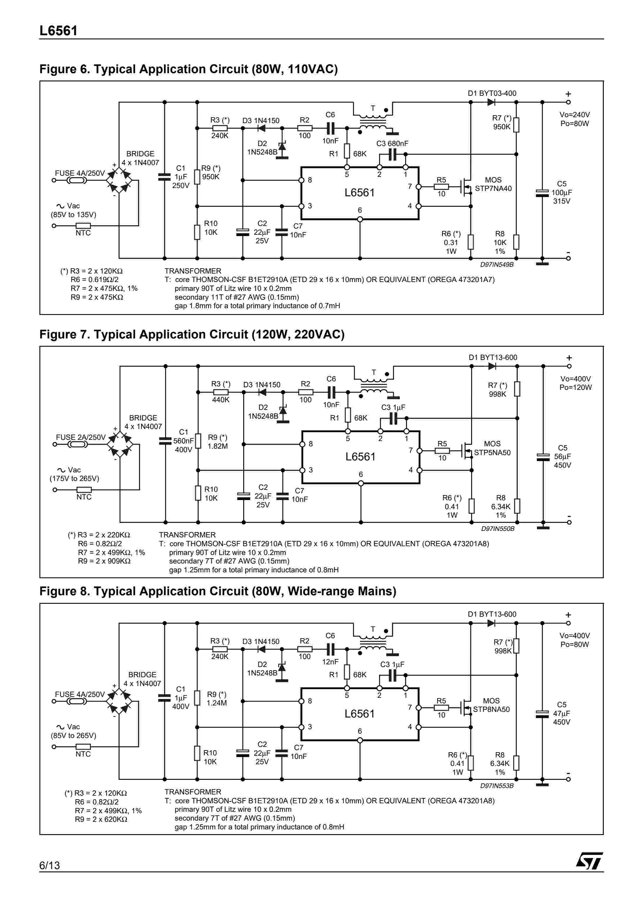
POWER FACTOR CORRECTOR
For consultation and purchase, please contact customer service
18902851717
18902851717
1034888950
1034888950@qq.com
Inquire Now
Related
L6561
L6561D
L6561D013TR
display all
DataSheet