welcome to the power supply and device library! Global Spot, Quality Assurance, Flash Shipping
Quick response power supply, device, and material supply platform
Welcome to the power supply and device library! Global Supply and Quality Assurance
Home
Category
Brand
Product
About Us
History
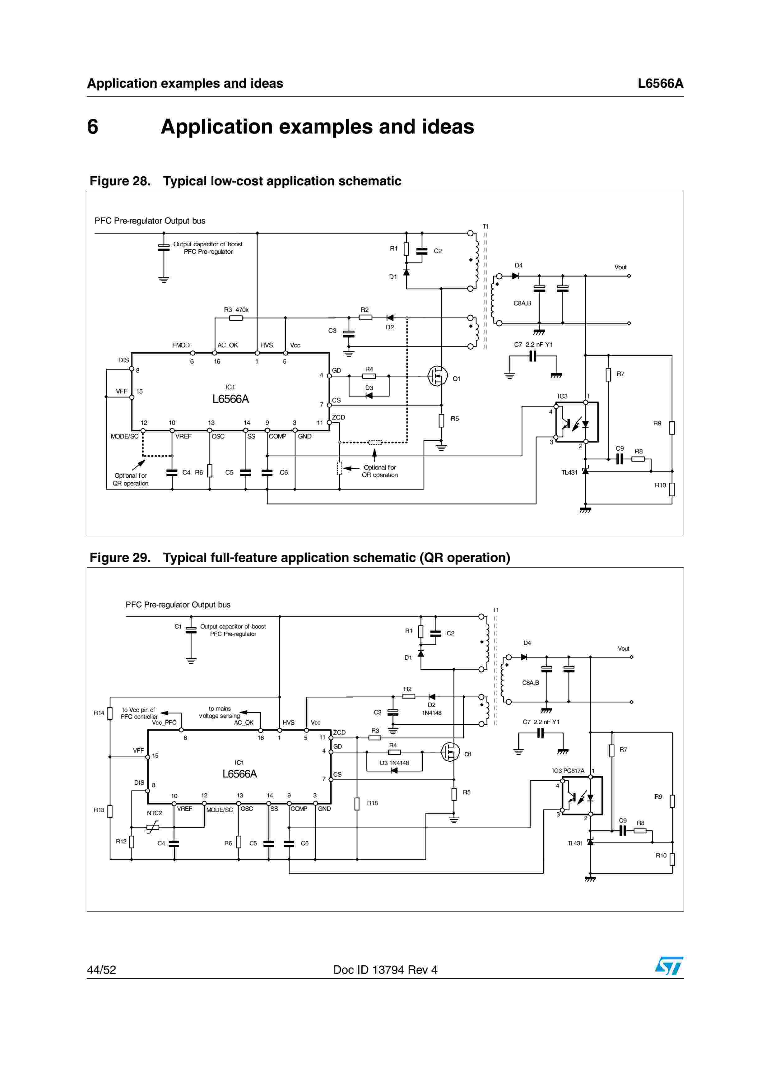
L6566A
brand:
ST
series:
l6566a
describe:
Multi-mode controller for SMPS with PFC front-end
For consultation and purchase, please contact customer service
18902851717
18902851717
1034888950
1034888950@qq.com
Inquire Now
Related
L6566A
L6566A TR
display all
DataSheet